| 气体 | 型号 | 处理容量 (Nm3/h) |
|---|---|---|
| N2 | TPNP-1000 ( 标准型 ) | 3~2000 |
| TPNP-100C(CH4 去除型) | 100~2000 | |
| Ar | TPAP-1000 ( 标准型 ) | 3~100 |
| He | TPRP-1000 ( 标准型 ) | 3~ 100 |
O2、CO、H2 透过触媒去除,CO2、H2O 透过吸附剂去除。
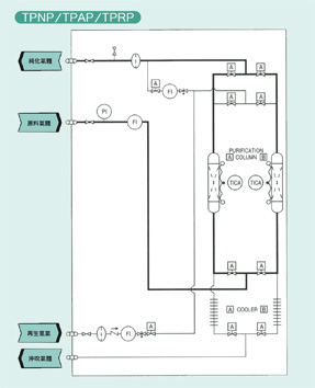
纯化 : 2Ni+O2 → 2NiO Ni+CO → Ni(CO) H2 由触媒吸附。
再生 : NiO+H2 → Ni+H2O Ni(CO)+3H2 → Ni+CH4+H2O
| TPNP/TPAP/TPRP | 入口 | 出口 |
|---|---|---|
| ppb | ppb | |
| O2 | 1000 | ≦ 0.1 |
| CO2 | 500 | ≦ 0.1 |
| CO | 1000 | ≦ 0.1 |
| H2 | 1000 | ≦ 0.5 |
| H2O | 2600 | ≦ 0.1 |
| CH4 * | 1000 | ≦ 0.1 |
| 微粒 | - | ≦ 1pcs/cft, ≧ 0.1μm |
| 压力 | 0.5MPaG | ≧ 0.4MPaG |
*TPNP-100C型。
*非标准规格请与我们联系确认。
| 气体 | 型号 | 处理容量 (Nm3/h) |
|---|---|---|
| O2 | TPOP-1000 ( 标准型 ) | 2~100 |
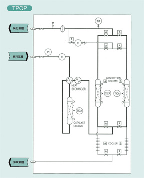
CH4、CO、H2 透过触媒氧化成 CO2、H2O 后透过吸附剂去除。
2CO+O2 →2CO2
CH4 +2O2 →CO2 +2H2O
2H2 +O2 →2H2O
| TPOP | 入口 | 出口 |
|---|---|---|
| ppb | ppb | |
| CH4 | 1000 | ≦ 0.1 |
| CO2 | 2000 | ≦ 0.1 |
| CO | 1000 | ≦ 0.5 |
| H2 | 1000 | ≦ 0.5 |
| H2O | 2600 | ≦ 0.5 |
| 微粒 | - | ≦ 1pcs/cft, ≧ 0.1μm |
| 压力 | 0.5MPaG | ≧ 0.4MPaG |
*TPKP 型可净化空气。
*非标准规格请与我们联系确认。
| 气体 | 型号 | 处理容量 (Nm3/h) |
|---|---|---|
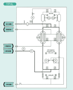
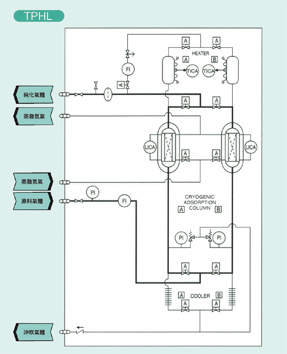
| H2 | TPHL-1000 ( 标准型 ) | 10~500 |
CH4、CO、N2、O2、CO2、H2O 透过低温吸附剂去除。
| TPHL | 入口 | 出口 |
|---|---|---|
| ppb | ppb | |
| O2 | 5000 | ≦ 1 |
| CO2 | 1000 | ≦ 0.1 |
| CO | 1000 | ≦ 0.1 |
| CH4 | 1000 | ≦ 0.1 |
| N2 | 50000 | ≦ 0.1 |
| H2O | 10000 | ≦ 0.5 |
| 微粒 | - | ≦ 1pcs/cft, ≧ 0.1μm |
| 压力 | 0.7MPaG | ≧ 0.6MPaG |
*非标准规格请与我们联系确认。
| 气体 | 型号 | 处理容量 (Nm3/h) |
|---|---|---|
| Ar | TPAG-1000 ( 标准型 ) | 1~30 |
| TPAG-100H (H2 去除型 ) | 1~30 | |
| He | TPRG-1000 ( 标准型 ) | 1~30 |
| TPRG-100H (H2 去除型 ) | 1~30 |
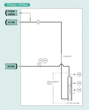
藉由 Getter 去除不纯物至极小的程度。
2Zr+O 2 →2ZrO
2Zr+N 2 →2ZrN
2Zr+CO →ZrC+ZrO
2Zr+H 2 O →Zr(H 2 )+ZrO
3Zr+CO 2 →ZrC+2ZrO
3Zr+CH 4 →ZrC+2Zr(H 2 )
| TPAG/TPRG | 入口 | 出口 |
|---|---|---|
| ppb | ppb | |
| N2 | 2000 | ≦ 0.1 |
| CH4 | 100 | ≦ 0.1 |
| O2 | 100 | ≦ 0.1 |
| CO2 | 100 | ≦ 0.1 |
| CO | 100 | ≦ 0.1 |
| H2* | 100 | ≦ 0.5 |
| H2O | 2600 | ≦ 0.1 |
| 微粒 | - | ≦ 1pcs/cft, ≧ 0.1μm |
| 压力 | 0.5MPaG | ≧ 0.4MPaG |
*TPAG / TPRG-100H 型。
*非标准规格请与我们联系确认。
| 气体 | 型号 | 处理容量 (Nm3/h) |
|---|---|---|
| H2 | TPHP-1000 ( 标准型 ) | 3~100 |
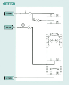
O2、 CO 透过触媒去除, CO2、H2O 透过吸附剂去除。
纯化 : 2Ni+O2→2NiO Ni+CO→Ni(CO)
再生 : NiO+H2→Ni+H2O Ni(CO)+3H2→Ni+CH4+H2O
| TPHP | 入口 | 出口 |
|---|---|---|
| ppb | ppb | |
| O2 | 5000 | ≦ 1 |
| CO2 | 1000 | ≦ 1 |
| CO | 1000 | ≦ 1 |
| H2O | 10000 | ≦ 1 |
| 微粒 | - | ≦ 1pcs/cft, ≧ 0.1μm |
| 压力 | 0.5MPaG | ≧ 0.4MPaG |
*非标准规格请与我们联系确认。
| 气体 | 型号 | 处理容量 (Nm3/h) |
|---|---|---|
| NH3 | TPMP-1000 ( 标准型 ) | 1~60 |
O2、H2O 透过触媒与吸附剂作用达到超低浓度。
| TPMP | 入口 | 出口 |
|---|---|---|
| ppb | ppb | |
| O2 | 5000 | 5 |
| H2O | 10000 | 10 |
| 微粒 | - | ≦ 1pcs/cft, ≧ 0.1μm |
*非标准规格请与我们联系确认。
台湾以及中国、韩国的一流LED厂商都有采用本公司的气体纯化器,在半导体产业也被许多客户持续爱戴使用。近年来,随着MOCVD大型化,本公司的低温氢气纯化器销售更是飞跃般增加。本公司的纯化器工厂长年在日本制造,在移设至台湾设厂后,集合最新的分析装置技术获得更多客户信赖。